熟悉LED凈化燈電路的朋友一定都知道,LED凈化燈驅動電路一般由下面幾個部分構成幾個部分構成,包括AC輸入、整流,、DC/DC轉換、等模塊。而保護措施需要根據不同模塊做出相應的調整,比如各個模塊和電流在受到浪涌的情況下就需要不同有效防護措施。
1、LED凈化燈驅動電路浪涌保護應用
在交流電源AC輸入端浪涌保護方案,可以采用壓敏電阻(MOV) 或加氣體放電管(GDT/SPG)組合來進行設計。在有接地的情況下,可以采用如圖1差共模同時防護的理念,在L-N之間并聯壓敏電阻(MOV),可以有效地抑制差模所產生的浪涌過電壓,起到對后級電路保護,在L/N-PE之間分別采用MOV 或MOV+GDT/SPG對地的電路連接方式可以有效的將共模浪涌能量泄放到大地, 防止浪涌引入到后級電路而造成損壞;如果在電源沒有接地線情況下,如圖2則在L-N線間可直接并聯壓敏電阻進行差模防護即可。

圖1 AC輸入端共模/差模防護電路示意圖

圖2 AC輸入端差模防護電路示意圖
為了避勉MOV保護元件在防護失效之后,出現短路失效著火燃燒的可能性,可以使用TMOV或PMOV進行保護。針對上面 MOV交流耐受電壓選擇至少要高于線路最大交流工作電壓1.2~1.4倍,以避勉誤動作,在有同時使用放電管GDT/SPG時,放電管擊穿電壓的下限值必須至少高于電路的最大峰值電壓,耐受電流必須根據自身浪涌等級的需求選擇不同電流等級,以符合于浪涌測試標準的要求。
2、AC/DC后防護電路示意圖

圖3 AC轉DC后防護電路示意圖
在有交流經過整流后,后端直流電路中的芯片對過壓和過流非常敏感,芯片易受損壞,如圖3所示,經整流之后并聯瞬態抑制二極管TVS, 在有過壓產生時,TVS會以皮秒級的反應速度動作而把過高電壓鉗制在一個安全的范圍內,從而保護后端芯片免受過壓的沖擊。異常電流可以通過在電路中設計自恢復保險絲PPTC進行防護,PPTC在過流產生時阻抗能迅速的變大,從而有效地阻斷異常電流,直至故障排除PPTC就可繼續恢復低阻狀態,使電路能繼續恢復到正常工作狀態。
TVS選用時截止電壓一般為正常工作電壓峰值的1.2~1.4倍即可,TVS功率大小要根據過壓的能量選擇合適的等級。PPTC選擇要結合電路工作電流及電壓進行參考以及環境溫度也是影響PPTC選擇一個重要關鍵指標,PPTC的保持電流會隨著應用環境溫度的升高而降低。PPTC在電路中的位置一般串聯在TVS前端,這樣PPTC不僅可以對電路芯片有效的起到保護作用同時又可以對TVS管起到一定保護作用,可以大大的提高TVS管的使用壽命。
3、LED直接驅動電路防護示意圖

圖4 LED直流驅動電路防護示意圖
LED發光的亮度是由通過LED的電流大小來控制, 不穩定的電流又極易燒壞LED,如圖4在DC/DC模塊后可以在電路中串聯恒流二極管來獲得穩定的電流,,這樣不僅可以使LED獲得穩定的亮度,,又不至于因電流的不穩定而燒壞LED。低功率的LED凈化燈工作電流一般為10mA到30mA,大功率的LED燈工作電流從200mA到1400mA不等,可以根據所需要的工作電流選擇型號合適的恒流二極管。由于LED燈也易遭受到靜電放電過壓的干擾受損, 因此DC/DC電路后端的LED燈也需要做一定的有效過壓防護,一般采用TVS管就可以。
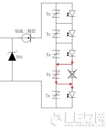
4、LED凈化燈串起防護示意圖

圖5 LED燈泡防護示意圖
當多個的LED燈通過串聯的方式進行連接時, 如圖5所示,一旦出現LED燈出現失效開路故障,整個LED燈都會因為此故障而影響到其它LED燈正常工作,為了解決這個問題, 可以針對每個LED燈上并聯一個防開路的LED保護器件Tx,這樣就可充分的提高每個LED的使用效率,當單個LED出現失效開路故障時, 與之并聯的LED開路保護器件Tx會立即導通, 使之可持續的維持處于通態,從而保證了電路中其它串聯的LED不因單顆LED的開路故障而熄滅,但此防護措施成本相對比較高。
綜上所述, LED驅動電路一般由AC輸入、整流,、DC/DC轉換、等模塊組成,從而一個LED驅動電路大致整體的防護方案可以參考如圖6所示:

圖6 LED凈化燈驅動電源整體防護示意圖
當處于實際的應用中時,影響浪涌保護元件選擇的因素非常多,雷擊浪涌測試等級、芯片參數、工作電壓、工作環境等都是必須考慮的問題。所以在為LED驅動電源設計防護時,我們就需要對諸多因素進行考慮,只有綜合多方情況仔細考量,才能有目的性的設計出能夠充分發揮作用的保護方案。